Program consiliere clienti L-V intre orele 8-17.Telefon : 0744 509021

Geberit - Elvetia SISTEM INSTALARE PENTRU VAS WC DUOFIX 82 CM PE CLAPETA OMEGA

Geberit - Elvetia
1.897,52 Lei
In stoc furnizor

Durata de livrare: 2-3 zile

Limita stoc
Adauga in cos
Cod Produs: GEB111.003.00.1 Ai nevoie de ajutor? 0744509021
Adauga la Favorite Cere informatii
  • Descriere
  • Review-uri (0)
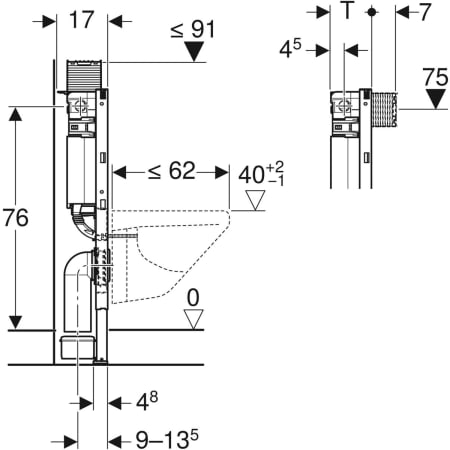
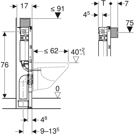
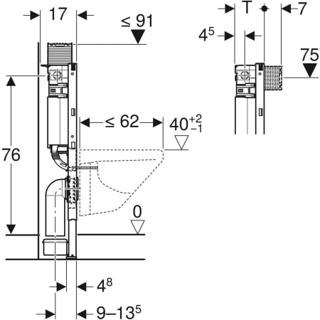
Sistem instalare pentru vas wc Duofix 82 cm pe clapeta Omega n nDomenii de utilizare nPentru constructie cu pereti usori nPentru montare in instalatii aplicate la inaltimea piesei nPentru montare in pereti de sistem Geberit Duofix la inaltimea piesei nPentru vase WC suspendate cu dimensiuni de racordare conform EN n332011 nPentru vase WC suspendate cu o proiectie de pana la 62 cm nPentru spalare cu doua volume de apa nPentru grosimi de pardoseala de 020 cm nCaracteristici nCadru autoportant, cu strat de acoperire cu pulbere nCadru cu orificii 9 mm pentru fixare pe constructie de lemn nRama pregatita pentru profilele suport pentru vasele de WC cu nsuprafata de contact mica nPicioare galvanizate nPicioare reglabile, 020 cm nPicioare autoblocante nTalpi cu posibilitate de rotire nAdancimea placilor suport adecvata pentru montare in profiluri U UW n50 si UW 75 si sine Geberit Duofix nCot de conectare la diferite pozitii de adancime, cu posibilitate de nmontare fara unelte, domeniu de reglaj 45 mm nDispozitiv de fixare cot de conectare, izolat acustic nRezervor incastrat cu actionare de sus sau din fata nRezervor incastrat izolat cu apa de condens nPost spalarea imediata posibila cu setarile din fabrica nLucrari de instalare si de intretinere la rezervorul incastrat, fara unelte nConectare la alimentarea cu apa, lateral stanga sau spate stanga nCaseta de protectie pentru gura de vizitare protejeaza impotriva numiditatii si a murdariei nCaseta de protectie pentru gura de vizitare, ajustabila nEchipat cu tub de ghidaj pentru alimentarea cu apa pentru racordarea nvaselor WC cu functie de bideu inclusa Geberit AquaClean nCu posibilitate de fixare pentru doza de curent electric nDate tehnice nPresiune de curgere 0.1-10 bar nTemperatura maxima a apei 25 C nSetare din fabrica pentru volumul de spalare 6 si 3 l nInterval de setare pentru volum mare de spalare 4.5 6 7.5 l nInterval de setare a volumului mic de spalare 3-4 l nCalculul debitului de curgere 0.11 ls nPresiune minima de curgere pentru calculul debitului nde curgere n0.5 bar nLista elementelor livrate nRacord de alimentare la apa R 12, compatibil MF, cu robinet de ninchidere cu actionare manuala nCaseta de protectie pentru gura de vizitare nSet de racordare pentru WC, 90 mm nCot de conectare 90 din PE-HD, 90 mm nMufa de adaptare din PE-HD, 90 110 mm n2 dopuri de protectie n2 tije filetate M12 nMaterial de fixare
Informatii conformitate produs
Daca doresti sa iti exprimi parerea despre acest produs poti adauga un review.

Review-ul a fost trimis cu succes.

Suport clienti Luni -vineri: intre orele 08-17

0744509021 marius.ilinca@capricedecor.ro
WhatsApp Caprice Decor

Compara produse

Trebuie sa mai adaugi cel putin un produs pentru a compara produse.

A fost adaugat la favorite!

A fost sters din favorite!